Se rendre au contenu

Kit d'électrification à trois moteurs de 1,5KW pour équipements agricoles

Kit d'électrification - Motorisation 3 BLDC 48V - 1500w pour rogneuse

Réference: KE-SRBC-KEO-R0003
Chargement...
https://www.torque.works/web/image/product.template/32897/image_1920?unique=c50570a

5 609,58 € 5609.58 EUR 5 609,58 €

Not Available For Sale

Cette combinaison n'existe pas.

Conditions Générales
Délai de livraison :

Description

Kit d'électrification outils agricoles

Ce kit d’électrification d'outils agricoles est adapté à tous les véhicules en 48V. Il est particulièrement recommandé pour électrifier des rogneuses.

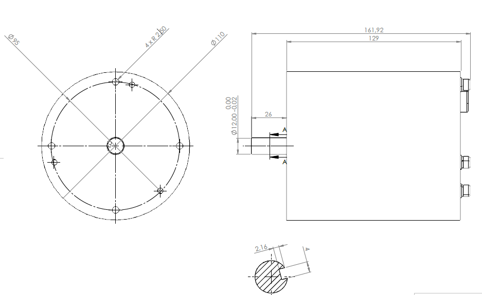
Il comprend 3 motoréducteurs électriques ( BLDC-108 ) offrant un couple élevé et un fonctionnement silencieux, idéal pour les projets de conversion électrique.

Caractéristiques techniques par moteur:
  • Type de moteur : moteur électrique BLDC-108 48V dc

  • Puissance nominale : 1,5kW

  • Vitesse de rotation : 3200-5000 tr/min

  • Couple nominal : 4 N·m

  • Couple maximal (5 s) : 8 N·m

Contenu du kit :
  • 1 boitier de contrôle

  • 1 boitier de commande

  • 1 Harnais d'alimentation avec connecteur DIN

  • 3 moteurs 1,5kW