Skip to Content

Zestaw elektryfikacyjny z trzema silnikami 1,5 kW do sprzętu rolniczego

Kit d'électrification - Motorisation 3 BLDC 48V - 1500w pour rogneuse

Kod: KE-SRBC-KMR-R0003
Ładowanie...
https://www.torque.works/web/image/product.template/32897/image_1920?unique=43f68ae

5609,58 € 5609.58 EUR 5609,58 €

Niedostępne w sprzedaży

Ta kombinacja nie istnieje.

Warunki i Zastrzeżenia
Shipping delay :

Opis

Zestaw elektryfikacyjny narzędzi rolniczych

Ten zestaw elektryfikacyjny narzędzi rolniczych jest odpowiedni dla wszystkich pojazdów o napięciu 48V. Jest szczególnie polecany do elektryfikacji obcinarek.

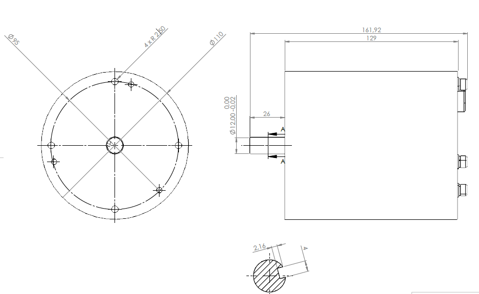
Zawiera 3 elektryczne motoreduktory (BLDC-108) oferujące wysoki moment obrotowy i cichą pracę, idealne do projektów konwersji elektrycznej.

Dane techniczne na silnik:
  • Typ silnika : silnik elektryczny BLDC-108 48V dc

  • Moc znamionowa : 1,5kW

  • Prędkość obrotowa : 3200-5000 obr/min

  • Moment znamionowy : 4 N·m

  • Maksymalny moment (5 s) : 8 N·m

Zawartość zestawu :
  • 1 skrzynka kontrolna

  • 1 skrzynka sterująca

  • 1 wiązka zasilająca z złączem DIN

  • 3 silniki 1,5kW